지하공간 침수방지를 위한 변전소와 전력구의 연결
- 자료실/수자원공학
- 2024. 5. 14.
반응형

지하공간 침수방지를 위한 변전소와 전력구의 연결
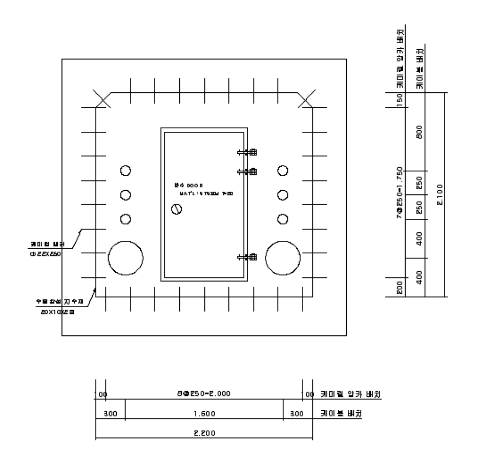
변전소와 기존 전력구와 연결은 일체식 구조로 하여 연결부를 통한 침수가 발생하지않도록 해야 한다.
- 변전소와 기존 전력구와 연결은 케미컬 앵커 보울트 등을 이용하여 변전소가 전력구와 일체식 구조가 되도록 유의한다. 앵커 보울트 등은 도로교 시방서 등을 참고한다. 참고로 남서울 전력관리처에서 발주한 지하변전소 수방대책 보고서(2002)에서는 앵커보울트의 규격을 도로교 시방서의 것으로 사용하고 있으며 전력구 차수벽의 설계를 위한 허용응력은 아래와 같다.
규격별 앵커 오울트의 허용응력(kg/㎠)
| 응력의 종류 | 강종 | SS400 | SM30C | SM35C |
| 부재의 종류 | ||||
| 전단 응력 | 앵커보울트 | 600 | 700 | 800 |
| 핀 | 1,100 | 1,200 | 1,400 | |
| 다듬보울트 | 900 | 1,080 | 1,200 | |
| 휨 응력 | 다듬보울트 | 900 | 1,080 | 1,200 |
| 지압 응력 | 앵커보울트 | 600 | 700 | 800 |
| 핀 | 1,100 | 1,200 | 1,400 | |
| 다듬보울트 | 900 | 1,080 | 1,200 |
![]() |
![]() |
| 송배전 전력구 차수벽 설치 | 이음부 상세도 |
- 케이블 Anchor Bolt에 벽체 철근을 용접에 의해 압접하여 차수벽과 기존 전력구 구조를 일체화 시키며 콘크리트 타설전에 수팽장 지수재를 미리 시공하여 누수를 방지한다. 지하상가는 지하공간내 공간배치 상황을 잘 파악하고 있는 상가내 종사자들과 불특정 다수인이 함께 있으므로 상가내 종사자들의 적절한 대비는 인명 및 상품을 보호하는데 도움이 될 수 있다.
출처 : 지하 공간 침수방지를 위한 수방기준 실무 매뉴얼
반응형
'자료실 > 수자원공학' 카테고리의 다른 글
| 지하공동구 개구부의 위치 및 맨홀의 설치 (0) | 2024.05.17 |
|---|---|
| 침수방지 시설물에 대한 점검 및 확인 (0) | 2024.05.17 |
| 지하변전소 개구부 높이 결정 (0) | 2024.05.14 |
| 지반 부동침하 방지 (0) | 2024.05.14 |
| 지하도 및 지하차도 대피용 출입시설 (0) | 2024.05.13 |

